Régime sinusoïdal forcé
Régime sinusoïdal forcé¶
Exercice 1 : Équivalences entre dipôles - ★¶
Les dipôles représentés ci-dessous sont étudiés en RSF à la pulsation .
Déterminer, les valeurs de et pour lesquelles les deux dipôles sont équivalents, en fonction de .


Si l’on remplace la bobine par un condensateur , le dipôle série peut-il être équivalent au dipôle parallèle ? Justifier.
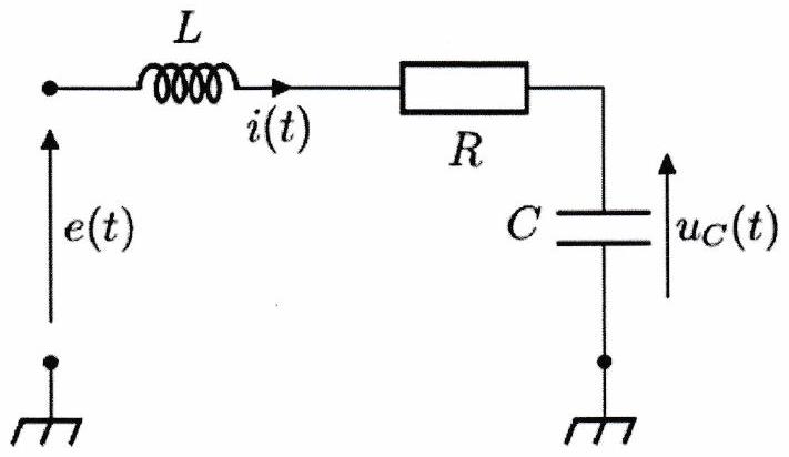
Exercice 2 : Résonance en tension dans un circuit ★¶
On considère le circuit série représenté ci-dessous où la tension est de la forme
On s’intéresse à l’évolution de la réponse en tension aux bornes du condensateur, en régime permanent, en fonction de la pulsation de l’excitation .
Donner l’expression du signal complexe associé à .
Exprimer le signal complexe associé à en fonction de et des valeurs des composants.
En déduire l’équation différentielle vérifiée par la tension réelle . La mettre sous forme canonique et donner l’expression de la pulsation propre et du facteur de qualité en fonction de et .

On repasse en notation complexe et on note le rapport son module et son argument :
Exprimer en fonction de et .
Calculer les valeurs de et pour .
Montrer que atteint un maximum pour une pulsation à condition que le facteur de qualité soit suffisamment grand. Préciser cette condition à l’aide d’une inégalité sur et donner l’expression de .
Que peut-on dire de dans le cas où ?
Étudier le comportement asymptotique de à basse fréquence et à haute fréquence. Les valeurs de dans ces régimes sont-elles cohérentes avec les simplifications que l’on peut alors opérer dans le circuit ?
Exercice 3 : Paramètres d’une résonance - ★¶
On considère la résonance en intensité d’un circuit série, soumis à une tension d’entrée sinusoïdale , avec . L’amplitude de l’intensité est donnée cidessous, en échelles linéaire et semi-logarithmique.


Déterminer les valeurs des composants et .
Exercice 4 : Impédances équivalentes - ★★¶
Déterminer l’impédance équivalente à chacune des trois associations de dipôles suivantes.



Exercice 5 : Intensité et tension en phase - ★★¶
On se place en régime sinusoïdal à la pulsation . On souhaite que la tension aux bornes du générateur ainsi que l’intensité qui le traverse soient en phase.
Quelle condition doit-on vérifier ?

Exercice 6 : Circuit parallèle - ★★¶
On considère le circuit représenté ci-contre. Il est alimenté par un générateur de tension sinusoïdale :

Déterminer les valeurs de l’amplitude de à basse et haute fréquence en étudiant le comportement asymptotique des dipôles.
Établir l’expression de l’impédance complexe du dipôle parallèle.
Établir l’expression de l’amplitude complexe de la tension en fonction de , et .
La mettre sous la forme : , et identifier les expressions de et . 4. Justifier l’existence d’une résonance pour une pulsation que l’on exprimera. 5. Après avoir rappelé la définition de la bande passante, donner l’expression de sa largeur en fonction de et . 6. Pour quelle pulsation la tension est-elle en phase avec le générateur ?
Exercice 7 : Étude d’un circuit en régime sinusoïdal forcé - ★★¶
On étudie le circuit représenté ci-dessous où . Dans l’exercice, on notera les intensités sous la forme et .
Déterminer l’impédance et l’admittance .
Exprimer et en fonction de .
Montrer que si le rapport des amplitudes complexes des intensités est un imaginaire pur, les intensités 1 et 2 sont déphasées de . Quelle relation lie alors et ?

Quelle relation vérifient et lorsque les amplitudes réelles des intensités sont égales ?
Exercice 8 : Circuit bouchon - ¶
On considère le circuit ci-contre avec
On étudie la tension aux bornes de la résistance en régime sinusoïdal forcé :

Établir l’expression de .
On introduira la pulsation caractéristique et le facteur de qualité. En déduire l’amplitude complexe en fonction de . 2. Montrer qu’il existe une pulsation pour laquelle l’amplitude est minimale.
Exercice 9 : Nature d’un dipôle inconnu - ★★★¶
Dans le montage ci-dessous, le GBF délivre une tension sinusoïdale de fréquence est une résistance connue ( ) et un dipôle inconnu. On visualise à l’oscilloscope et avec des calibres identiques sur les deux voies.


Sachant que le GBF et l’oscilloscope utilisés sont tous les deux munis de prises de terre, quel problème expérimental devra-t-on résoudre pour visualiser simultanément et ?
On note l’impédance du dipôle . Déterminer à partir de la courbe les valeurs de et de .
Par quel dipôle peut-on modéliser ? Donner ses caractéristiques.