TD 10 Amplificateur linéaire intégré
TD 10 Amplificateur linéaire intégré¶
Exercice 1 : Sommateur - ★¶
On étudie le montage ci-contre, où l’ALI est supposé idéal.
Pourquoi le montage peut-il fonctionner en régime linéaire?
Établir l’expression de en fonction de et .
Justifier le nom donné au montage.

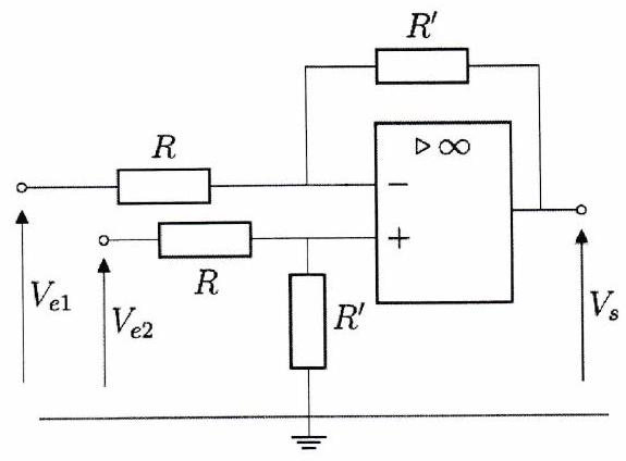
Exercice 2 : Soustracteur - ★¶
On étudie le montage ci-contre, où l’ALI est supposé idéal.
Pourquoi le montage peut-il fonctionner en régime linéaire?
Établir l’expression de en fonction de et .
Justifier le nom donné au montage.

Exercice 3 : Montage pseudo-intégrateur - ★¶
Pour le montage intégrateur du cours, nous avons établi que :
Exprimer le signal de sortie si le signal d’entrée est de la forme . Que va-t-il se passer?
En pratique, le montage intégrateur du cours ne peut pas être utilisé comme intégrateur, puisqu’il finira par saturer, en raison des courants de polarisation qui ne sont pas rigoureusement nuls et de l’offset existant. On utilise le

montage dit “pseudo-intégrateur” ci-contre. 2. Pourquoi le montage peut-il fonctionner en régime linéaire ? 3. Nous allons chercher la nature de ce filtre. (a) Reproduire l’équivalent du circuit à basse fréquence. Quel montage reconnaissez-vous ? Établir la relation entre et (et et ) à basse fréquence. (b) Reproduire l’équivalent du circuit à haute fréquence. Que veut-on dire de par rapport à ? Conclure sur la valeur de . (c) Conclure sur la nature du filtre. 4. Établir la fonction de transfert de ce montage. 5. À quelle condition sur la pulsation ce montage réalise-t-il une intégration ? Le problème mentionné dans la question 1 est-il résolu?
Exercice 4 : Filtre actif amplificateur - ★★¶
On étudie le montage ci-contre, où l’ALI est supposé idéal.
Pourquoi le montage peut-il fonctionner en régime linéaire?

Reproduire le circuit à basse et haute fréquence en utilisant les comportements asymptotiques du condensateur. En déduire l’expression de en fonction de à basse et haute fréquence. Quelle est la nature du filtre?
Établir la fonction de transfert du montage et la mettre sous forme canonique :
Donner les expressions de et de . 4. On souhaite une pulsation de coupure et un gain de 20 dB en haute fréquence. Déterminer les valeurs à donner à et pour . 5. Tracer le diagramme de Bode du filtre. 6. On envoie en entrée du filtre une tension sinusoïdale . Donner l’allure de la tension de sortie et de son spectre dans les quatre cas suivants : (a) et (b) et (c) et (d) et 7. Établir l’impédance d’entrée du montage en fonction de et . Quel problème peut-il se poser?
Exercice 5 : Résistance négative - ★★¶
On étudie le montage ci-contre, où l’ALI est supposé idéal.
Peut-on savoir si le montage fonctionne en régime linéaire ou non?
Exprimer le potentiel en fonction de et .
Exprimer le potentiel en fonction de et .
En exploitant l’hypothèse de fonctionnement linéaire, en déduire une relation entre et .
Commenter le nom de “montage à résistance négative” donné à ce montage.
